EN
EN
Home
About
Products
Magnetostritive displacement sensor
Draw wire sensor
Linear position sensor
Ultrasonic Sensor
LVDT displacement sensor
Load Cell
Temperature sensor
News
Feedback
Certificate
Contact
EN
EN
Products
Current location:
Home
/
Products
/
Load Cell
/
Torque Sensor
/
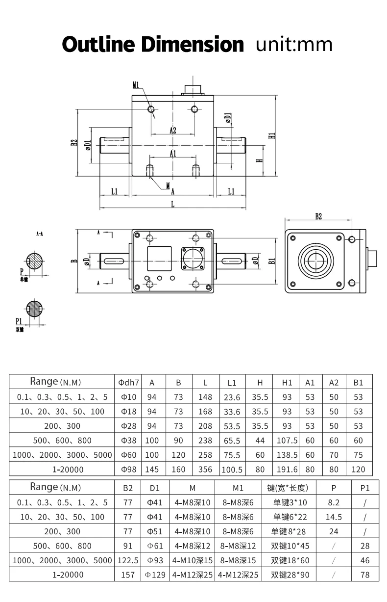
Dynamic Torque Sensor
All classification
Magnetostritive displacement sensor
Draw wire sensor
Linear position sensor
Ultrasonic Sensor
LVDT displacement sensor
Load Cell
Capsule type Load Cell
Column Type Load Cell
Miniature Load Cell
S Type Load Cell
Shear Beam Load Cell
Spoke Type Load Cell
Torque Sensor
Dynamic Torque Sensor
Strain Torque Sensor
Transmitters & instruments
Temperature sensor
Platinum resistance
Transmitter
Thermocouple
Thermistor
NSN200
Product Details
Message
consultation